emc易倍
Language
EN
中文
English
España
Pусский
Portugal
Français
???????
?
走进emc易倍
董事长致辞
了解emc易倍
发展历程
公司荣誉
emc易倍文化
社会责任
联系emc易倍
emc易倍环境先后荣膺中国机械工业核心竞争力30佳、中国机械工业100强、装备中国功勋企业、保护臭氧层示范企业等称号。
了解更多
新闻资讯
企业新闻
媒体聚焦
专题报道
视频中心
emc易倍环境以振兴民族工业、成就客户价值为己任,以“致力于人类生活质量的提高”为企业使命,持续打造和提升在能源综合利用领域的竞争优势,加快推进全球化进程,努力打造成为具有核心竞争力、深受员工爱戴、值得行业伙伴尊敬的基业长青企业。
了解更多
产业领域
工商制冷
暖通空调
绿能装备
精密成型
数智工业
emc易倍环境技术股份有限公司始创于1956年,是多元化、国际化的综合性装备工业企业。主营业务涵盖工商制冷、暖通空调、绿能装备、精密成型、数智工业等产业集群。
了解更多
产品中心及解决方案
制冷压缩机组
工艺冷却机组
暖通空调产品
吸收式机组
工艺气体压缩装备
单体速冻及真空冻干设备
工业换热装置
压力容器及精密铸件
系列锅炉产品
其它设备
创新产品
解决方案
螺杆式制冷压缩机组
活塞式制冷压缩机组
螺杆式冷(盐)水机组
压缩冷凝机组
螺杆式冷水(热泵)机组
离心式冷水(热泵)机组
其它产品
吸收式制冷(热)装备
吸收式热泵装备
吸收式大温差换热装备
余热回收装备
其它辅助设备
空气压缩装备
特殊工艺气体压缩装备
单体速冻设备
医药冻干设备
食品冻干设备
蒸发式冷凝/冷却器(湿式空冷器)
冷风机
板翅换热器
压力容器
精密铸造产品
锅炉产品
船用制冷设备
片冰机
谷冷机
洁净处理设备
自动化仓储集成
创新产品
emc易倍环境以冷热同步发展、积极拓展节能环保产业为发展战略,从事低温环境、余热回收、气体压缩、工业换热、城市节能供热、智能铸造、超净排放等领域的技术研发及其相关成套设备的生产与销售
了解更多
技术创新
创新平台
创新能力
创新成果
emc易倍环境拥有国家认定企业技术中心等5个国家级科技创新平台及山东省节能环保制冷设备重点实验室等14个省级科技创新平台。公司被认定为国家火炬计划重点高新技术企业,拥有国家专利技术263项,先后主持和参与制订国家标准20项、行业标准32项。
了解更多
服务支持
服务理念
营销网络
在线咨询
MICS服务云
资料查阅与下载
emc易倍环境遍布全球40多个国家的生产基地、科研中心及营销服务机构,以安全、环保、节能的管家式解决方案和智慧化的系统集成能力,为全球120多个国家和地区的用户提供产品全生命周期的服务保障。
了解更多
投资者关系
公司公告
投资教育
emc易倍环境技术股份有限公司 股票代码:000811;规模大、覆盖面广、业务链完善、综合研发能力强的现代化服务型企业。
了解更多
招贤纳士
人才战略
简历投递
招聘信息
以做人做事的道德标准、心胸作为使用的根本,以工作中表现出的才能和潜力作为先决条件,德才并重。emc易倍拥有完善的职业发展通道,通过完善的绩效评估体系和良性的竞争机制,让有能力、有责任心、善于合作、能群体奋斗的人凸显出来,为其聪明才智的发挥搭建平台。
了解更多
走进emc易倍
走进emc易倍
董事长致辞
了解emc易倍
发展历程
公司荣誉
emc易倍文化
社会责任
联系emc易倍
新闻资讯
新闻资讯
企业新闻
媒体聚焦
专题报道
视频中心
产业领域
产业领域
工商制冷
暖通空调
绿能装备
精密成型
数智工业
产品中心及解决方案
产品中心及解决方案
制冷压缩机组
工艺冷却机组
暖通空调产品
吸收式机组
工艺气体压缩装备
单体速冻及真空冻干设备
工业换热装置
压力容器及精密铸件
系列锅炉产品
其它设备
创新产品
解决方案
技术创新
技术创新
创新平台
创新能力
创新成果
服务支持
服务支持
服务理念
营销网络
在线咨询
MICS服务云
资料查阅与下载
投资者关系
投资者关系
公司公告
投资教育
招贤纳士
招贤纳士
人才战略
简历投递
招聘信息
专题报道
创新 务实 进取 共赢
企业新闻
媒体聚焦
专题报道
视频中心
首页
>
新闻资讯
>
专题报道
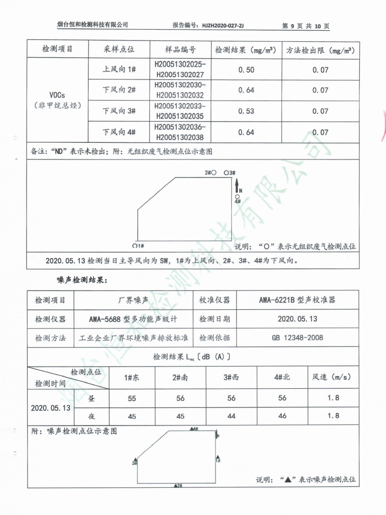
emc易倍环境第二季度环境监测报告
时间:2020.06.15
字号
上一条
“攻坚克难 再战百日”专题报道
2020-07-20
下一条
躬身入局 百日会战 专题报道
2020-05-26
分享到
返回列表
【网站地图】
【sitemap】